Система отопления автомобиля ВАЗ-2115 инжектор обеспечивает комфорт водителя и пассажиров в холодное время года. Знание ее работы и возможных неисправностей поможет поддерживать оптимальную температуру в салоне и предотвратить серьезные поломки. В статье рассмотрим схему системы отопления, основные элементы, которые могут выйти из строя, а также методы диагностики и устранения неполадок.
Устройство обогрева
В автомобиле ВАЗ-2115 горячий воздух распределяется по нескольким трубкам и попадает в салон через:
- дефлекторы, расположенные на приборной панели;
- сопла, находящиеся как сбоку, так и в центре;
- отверстия, сделанные в корпусе отопителя (в области ног).
Подача воздуха усиливается благодаря работе вентилятора. В случае поломки этот элемент не подлежит ремонту. В большинстве случаев на ВАЗ-2115 устанавливается система обогрева, аналогичная той, что использовалась в «восьмерке». Основное отличие заключается в почти горизонтальном расположении радиатора.
Замена и подтягивание рулевой рейки ВАЗ-2115
Вентилятор приводится в действие электромотором коллекторного типа, возбуждение которого осуществляется с помощью встроенных постоянных магнитов. Скорость вращения лопастей регулируется с помощью ручки на приборной панели, предусмотренной в четырех позициях.
Обогрев модели Приора устроен аналогично, с внесением лишь незначительных изменений в конструкцию отопителя.
Работа обогревателя основана на использовании избыточного тепла двигателя с 8 клапанами ВАЗ-2115, которое отводится через циркуляцию охлаждающей жидкости.
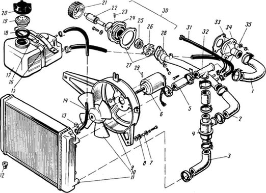
Радиатор установлен непосредственно на кожухе отопителя и представляет собой систему, состоящую из двух бачков, выполненных из пластика, и алюминиевых трубок, на которые надеты металлические пластины для более эффективного теплообмена. Движение охлаждающей жидкости обеспечивается насосом, а интенсивность потока регулируется с помощью переключателя на приборном щитке.
Эксперты отмечают, что схема системы отопления ВАЗ-2115 инжектор является достаточно эффективной и продуманной. Основной элемент системы — это отопительный радиатор, который обеспечивает обогрев салона автомобиля. Важным аспектом является правильная циркуляция охлаждающей жидкости, что достигается благодаря насосам и термостатам. Специалисты подчеркивают, что регулярное обслуживание системы, включая проверку герметичности и состояния радиатора, способствует предотвращению перегрева двигателя и улучшает комфорт водителя и пассажиров. Также эксперты рекомендуют использовать качественные антифризы, что увеличивает срок службы системы. В целом, грамотная эксплуатация и своевременное техническое обслуживание системы отопления ВАЗ-2115 инжектор позволяют избежать многих проблем и обеспечивают надежную работу автомобиля в холодное время года.

Ремонт и замена
Автомобиль со временем подвергается износу, и в процессе эксплуатации могут возникать различные неисправности. Одним из признаков поломки обогревателя является характерное журчание. Часто это сопровождается утечкой масла в салон, и его следы можно обнаружить под правым сиденьем на коврике. Эти симптомы указывают на возможный выход из строя регулирующего крана или радиатора.
Также проблемы с печкой могут быть вызваны неисправностями тяги, что проявляется в поступлении холодного воздуха из боковых дефлекторов. В данном случае проблему можно решить, отрегулировав тросики.
Наиболее распространенной причиной поломки радиатора является протечка. Обычно проблема возникает в местах соединения пластиковых и металлических деталей. Если отверстие небольшое, радиатор можно отремонтировать, добавив в антифриз специальный состав, который доступен в большинстве автомагазинов. Этот состав поможет самостоятельно затянуть трещину.
Основная задача заключается в том, чтобы добраться до неисправных компонентов. Доступ к крану не представляет особой сложности, однако добраться до радиатора может быть значительно сложнее.
Для этого необходимо выполнить следующие шаги:
- отключить клемму «минус» от аккумулятора;
- слить антифриз в заранее подготовленную емкость;
- в отдельную тару перелить охлаждающую жидкость из блока цилиндров (в нем есть специальное отверстие, закрытое заглушкой).
Заглушка расположена рядом с блоком зажигания. Если она мешает работе, лучше ее полностью снять. Для этого потребуется торцевой ключ на 13.
Затем необходимо демонтировать кожух, защищающий рулевой вал, и отключить аварийную сигнализацию. После этого можно снять боковые экраны консоли, которые крепятся болтами. Это позволит извлечь перчаточный ящик. Далее снимается крышка разъема для диагностики, которая также крепится на двух шурупах на приборной панели.
После этого потребуется демонтировать:
- клеммы прикуривателя и его подсветки;
- блок регулятора отопления;
- магнитолу.
Теперь настало время панели приборов, которая фиксируется 7 шурупами. Некоторые из них могут быть скрыты под декоративными накладками. Если не удалить все шурупы, есть риск повредить этот элемент, выполненный из обычного пластика.
В результате открывается доступ к центральному кронштейну, который удерживается двумя болтами. Для их откручивания потребуется ключ на 8. После того как кронштейн будет отодвинут, необходимо отсоединить клеммы ЭБУ.
Теперь можно перейти к радиатору. Чтобы его снять, нужно ослабить хомуты, удерживающие патрубки, но полностью их отсоединять не следует, так как это может привести к утечке охлаждающей жидкости, что может повредить декоративное покрытие пола. Лучше всего установить под радиатор тазик или застелить все пленкой.
Радиатор фиксируется тремя шурупами. Поврежденную деталь отопления заменяют на новую, а все предыдущие действия выполняются в обратном порядке.
| Элемент системы отопления | Функция | Возможные неисправности |
|---|---|---|
| Радиатор отопителя | Передача тепла от охлаждающей жидкости воздуху салона | Засорение, течь, коррозия |
| Вентилятор отопителя | Принудительная циркуляция воздуха через радиатор | Шум, не работает, работает на одной скорости |
| Кран отопителя (при наличии) | Регулировка потока охлаждающей жидкости через радиатор | Заклинивание, течь, неполное открытие/закрытие |
| Патрубки системы отопления | Соединение элементов системы, транспортировка охлаждающей жидкости | Течь, растрескивание, засорение |
| Блок управления отопителем | Регулировка температуры и скорости вентилятора | Неисправность регуляторов, отсутствие реакции на команды |
| Воздуховоды | Распределение теплого воздуха по салону | Засорение, повреждение, неплотное прилегание |
| Заслонки воздуховодов | Регулировка направления потока воздуха | Заклинивание, неполное открытие/закрытие |
| Охлаждающая жидкость | Теплоноситель, циркулирующий в системе | Низкий уровень, загрязнение, несоответствие типу |
| Термостат | Регулировка температуры охлаждающей жидкости в двигателе | Заклинивание в открытом/закрытом положении |
| Помпа (водяной насос) | Обеспечение циркуляции охлаждающей жидкости | Шум, течь, снижение производительности |
Интересные факты
Вот несколько интересных фактов о системе отопления ВАЗ-2115 с инжекторным двигателем:
-
Эффективность обогрева: ВАЗ-2115 использует систему отопления, основанную на теплообменнике, который получает тепло от двигателя. Это позволяет быстро прогревать салон автомобиля, что особенно важно в холодное время года. При этом система отопления может работать даже при низких оборотах двигателя, что делает её эффективной в городских условиях.
-
Регулировка температуры: В отличие от более простых систем, в ВАЗ-2115 предусмотрена возможность регулировки температуры воздуха, подаваемого в салон. Это достигается за счет использования заслонок, которые открываются и закрываются в зависимости от выбранного положения ручки управления отоплением. Это позволяет водителю и пассажирам настроить комфортный микроклимат в салоне.
-
Проблемы с системой: Одной из распространенных проблем в системе отопления ВАЗ-2115 является засорение радиатора отопителя, что может привести к снижению эффективности обогрева. Регулярная проверка и промывка системы охлаждения и отопления могут помочь избежать этой проблемы и продлить срок службы компонентов системы.
Эти факты подчеркивают как функциональность, так и потенциальные проблемы системы отопления ВАЗ-2115, что делает её интересной для владельцев и автолюбителей.

Советы
На практике выполнить все перечисленные выше задачи самостоятельно может быть сложно, поэтому разумно обратиться за помощью к знакомому.
Прежде чем установить новый радиатор, важно тщательно очистить от загрязнений пространство, предусмотренное производителем. Для повышения эффективности работы отопления специалисты советуют приклеить к радиатору поролоновую ленту толщиной примерно полтора миллиметра.
https://youtube.com/watch?v=7OUuphinDvo
Проблемы и их диагностика
Система отопления ВАЗ-2115 инжектор может столкнуться с различными проблемами, которые могут негативно сказаться на комфорте в салоне автомобиля. Важно уметь диагностировать эти неисправности, чтобы своевременно их устранить. Рассмотрим основные проблемы, с которыми могут столкнуться владельцы данного автомобиля, а также методы их диагностики.
1. Недостаточная эффективность обогрева салона. Если воздух в салоне не прогревается должным образом, это может быть связано с несколькими факторами. Во-первых, стоит проверить уровень охлаждающей жидкости в системе. Низкий уровень может привести к недостаточному прогреву радиатора отопителя. Во-вторых, необходимо убедиться в исправности термостата, который отвечает за поддержание оптимальной температуры охлаждающей жидкости. Если термостат заедает в открытом положении, двигатель не будет достигать рабочей температуры, что также повлияет на эффективность обогрева.
2. Протечки охлаждающей жидкости. Протечки могут происходить в различных местах системы отопления, включая радиатор отопителя, шланги и соединения. Для диагностики протечек можно использовать специальные красители, которые добавляются в охлаждающую жидкость. При наличии утечек, краситель будет виден на месте протечки. Также стоит обратить внимание на наличие антифриза на ковриках в салоне, что может указывать на повреждение радиатора отопителя.
3. Забитый радиатор отопителя. Со временем радиатор может забиваться отложениями и грязью, что приводит к снижению его эффективности. Для диагностики можно проверить температуру выходящего воздуха из вентиляционных отверстий. Если воздух холодный, несмотря на работу системы, это может указывать на забитый радиатор. В таком случае рекомендуется промыть радиатор специальными средствами или заменить его.
4. Неисправность вентиляторов. Если вентилятор системы отопления не работает, это может быть связано с неисправностью самого вентилятора, предохранителей или реле. Для диагностики необходимо проверить работу вентилятора на разных режимах. Если вентилятор не включается, стоит проверить предохранители и реле, а также провести тестирование самого вентилятора на прямое подключение к аккумулятору.
5. Неправильная работа климат-контроля. Если ваш ВАЗ-2115 оснащен климат-контролем, его неисправности могут также влиять на работу системы отопления. Важно проверить настройки климат-контроля и убедиться, что он правильно реагирует на изменения температуры. Если система не реагирует на изменения, возможно, проблема кроется в датчиках или управляющем блоке.
В заключение, диагностика системы отопления ВАЗ-2115 инжектор требует внимательности и системного подхода. Регулярная проверка состояния системы и своевременное устранение выявленных проблем помогут поддерживать комфортную температуру в салоне автомобиля в любое время года.
Вопрос-ответ
Какова основная функция системы отопления в автомобиле ВАЗ-2115?
Основная функция системы отопления в ВАЗ-2115 заключается в поддержании комфортной температуры в салоне автомобиля, а также в обеспечении обогрева стекол для улучшения видимости в холодное время года.
Какие компоненты входят в состав системы отопления ВАЗ-2115?
Система отопления ВАЗ-2115 включает в себя радиатор отопителя, вентилятор, термостат, патрубки для подачи и возврата охлаждающей жидкости, а также элементы управления, такие как регуляторы температуры и потока воздуха.
Как часто необходимо проверять систему отопления на ВАЗ-2115?
Рекомендуется проверять систему отопления не реже одного раза в год, особенно перед началом зимнего сезона, чтобы убедиться в ее исправности и предотвратить возможные проблемы с обогревом салона.
