Тормозная система — ключевой элемент безопасности автомобиля, особенно для ВАЗ-2115 с инжекторным двигателем. В статье рассмотрим устройство тормозной системы этой модели и возможные неисправности. Понимание работы тормозной системы и потенциальных проблем поможет владельцам ВАЗ-2115 своевременно выявлять и устранять неисправности, обеспечивая безопасность на дороге.
Устройство
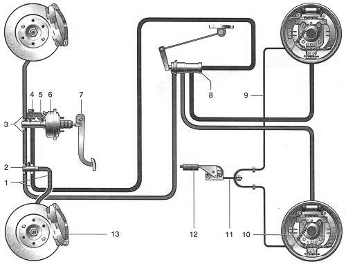
На автомобиле ВАЗ-2115 используется тормозная система с диагональным разделением рабочих контуров. Это решение значительно увеличивает надежность и безопасность пассажиров. В частности, первый контур отвечает за функционирование тормозных механизмов переднего правого и заднего левого колес. В случае его неисправности активируется второй контур.
Также в конструкции гидропривода предусмотрены:
- вакуумный усилитель;
- двухконтурный регулятор, который отвечает за поддержание давления в тормозах, расположенных на задней оси.
На ВАЗ-2115 установлен механический датчик, который сигнализирует о снижении уровня тормозной жидкости. Кроме того, имеется система стояночных тормозов, обладающая отдельным приводом, который может заблокировать заднюю ось при необходимости.
Как видно из схемы, данная система достаточно сложна, и в ней могут периодически возникать различные неисправности.
Чтобы определить, какая именно проблема возникла, требуется определенный опыт. Тем не менее, диагностику можно провести самостоятельно, следуя приведенным ниже рекомендациям.
Тормозная система ВАЗ-2115 инжектор представляет собой важный элемент безопасности автомобиля, обеспечивая надежное торможение в различных условиях. Эксперты отмечают, что данная система включает в себя дисковые тормоза спереди и барабанные сзади, что обеспечивает хорошую эффективность торможения. Однако, как и любая другая система, тормоза могут сталкиваться с различными неисправностями.
Среди наиболее распространенных проблем специалисты выделяют износ тормозных колодок и дисков, что может привести к снижению эффективности торможения и увеличению тормозного пути. Также часто возникают утечки тормозной жидкости из-за износа трубок или цилиндров, что может стать причиной потери тормозного усилия. Неправильная регулировка тормозов и заедание механизма также могут вызывать проблемы. Регулярная диагностика и своевременное обслуживание тормозной системы помогут избежать серьезных неисправностей и обеспечат безопасность на дороге.

Педаль тормоза имеет слишком большой ход
В данной ситуации можно предположить, что:
- в гидравлическую систему попал воздух;
- упорное кольцо поршня заднего цилиндра потеряло свою упругость и сместилось внутрь;
- тормозная жидкость утекла из системы;
- существует слишком большой зазор между поршнем главного цилиндра и регулировочным болтом вакуумного усилителя.
В связи с этим:
- в первом случае необходимо выполнить прокачку системы;
- во втором – потребуется полная замена цилиндра;
- в третьем – устранить утечку, заменив поврежденные уплотнители или шланги.
| Элемент тормозной системы | Описание функции | Возможные неисправности и их признаки |
|---|---|---|
| Главный тормозной цилиндр (ГТЦ) | Создает давление в тормозной системе при нажатии на педаль тормоза, распределяя его по контурам. | Утечка тормозной жидкости: снижение уровня жидкости, мокрые пятна под автомобилем, “мягкая” педаль. Износ манжет: проваливание педали тормоза, необходимость нескольких нажатий для эффективного торможения. Засорение компенсационных отверстий: заклинивание тормозов, перегрев дисков/барабанов. |
| Вакуумный усилитель тормозов | Увеличивает усилие, передаваемое от педали тормоза к ГТЦ, облегчая нажатие на педаль. | Нарушение герметичности диафрагмы: “тугая” педаль тормоза, увеличение тормозного пути, шипящие звуки при нажатии на педаль. Неисправность обратного клапана: утечка вакуума, “тугая” педаль. |
| Передние дисковые тормоза (суппорт, тормозной диск, колодки) | Обеспечивают торможение передних колес за счет прижима тормозных колодок к вращающемуся диску. | Износ тормозных колодок: скрип, скрежет при торможении, увеличение тормозного пути, снижение эффективности торможения. Износ тормозного диска: биение руля при торможении, вибрация, снижение эффективности торможения, появление бороздок на диске. Заклинивание поршня суппорта: перегрев колеса, увод автомобиля в сторону при торможении, неравномерный износ колодок. Утечка тормозной жидкости из суппорта: снижение уровня жидкости, мокрые пятна на колесе. |
| Задние барабанные тормоза (тормозной барабан, колодки, колесный цилиндр) | Обеспечивают торможение задних колес за счет прижима тормозных колодок к внутренней поверхности вращающегося барабана. | Износ тормозных колодок: снижение эффективности торможения, увеличение хода педали, скрип. Износ тормозного барабана: снижение эффективности торможения, появление бороздок, овальность. Утечка тормозной жидкости из колесного цилиндра: снижение уровня жидкости, мокрые пятна на внутренней стороне колеса, “мягкая” педаль. Заклинивание механизма ручного тормоза: перегрев задних колес, затрудненное движение. |
| Тормозные трубки и шланги | Передают тормозную жидкость под давлением от ГТЦ к колесным тормозным механизмам. | Повреждение (трещины, перетирание): утечка тормозной жидкости, снижение эффективности торможения, “мягкая” педаль. Разбухание шлангов: снижение эффективности торможения, заклинивание тормозов. |
| Регулятор давления задних тормозов (“колдун”) | Распределяет тормозное усилие между передними и задними колесами в зависимости от загрузки автомобиля. | Заклинивание: блокировка задних колес при легком торможении (при пустом автомобиле) или недостаточная эффективность задних тормозов (при загруженном автомобиле). Утечка тормозной жидкости: снижение уровня жидкости, мокрые пятна. |
| Стояночный тормоз (ручник) | Механически блокирует задние колеса для удержания автомобиля на месте. | Растяжение троса: большой ход рычага, недостаточная эффективность удержания автомобиля. Заклинивание троса: постоянное притормаживание задних колес, перегрев. Износ колодок стояночного тормоза: недостаточная эффективность. |
| Тормозная жидкость | Передает усилие от педали к тормозным механизмам, смазывает детали. | Низкий уровень: снижение эффективности торможения, “мягкая” педаль, срабатывание индикатора на приборной панели. Загрязнение/старение: снижение температуры кипения, образование паровых пробок, снижение эффективности торможения, коррозия элементов системы. |
Интересные факты
Вот несколько интересных фактов о тормозной системе ВАЗ-2115 инжектор и возможных неисправностях:
-
Гидравлическая система: Тормозная система ВАЗ-2115 использует гидравлический принцип работы, что обеспечивает эффективное торможение при относительно небольшом усилии на педали. Важно следить за уровнем тормозной жидкости, так как ее недостаток может привести к потере тормозного эффекта.
-
Неисправности тормозных колодок: Одной из распространенных неисправностей является износ тормозных колодок. При их износе возникает характерный скрип или стук, что сигнализирует о необходимости замены. Игнорирование этого может привести к повреждению тормозных дисков и увеличению затрат на ремонт.
-
Система ABS: Некоторые модификации ВАЗ-2115 могут быть оснащены системой антиблокировочной тормозной системы (ABS). Эта система предотвращает блокировку колес при резком торможении, что значительно повышает безопасность. Однако неисправности в ABS могут проявляться в виде мигания индикатора на приборной панели или ухудшения тормозных характеристик, что требует немедленной диагностики.

Эффективность работы тормозов низкая
Наиболее распространенные причины возникновения данной проблемы включают в себя:
- загрязнение тормозных колодок маслом;
- заклинивание поршней в колесных цилиндрах;
- износ накладок на колодках;
- перегрев компонентов тормозной системы;
- неправильная настройка регулятора давления;
- потеря герметичности в одном из контуров.
Для очистки накладок тормозных колодок рекомендуется использовать проволочную щетку, теплую воду и стиральный порошок.
В случае заклинивания поршней потребуется заменить цилиндры и прокачать тормозную систему.
При износе накладок их следует демонтировать и установить новые.
Перегрев тормозной системы устраняется путем немедленной остановки. Необходимо подождать некоторое время, чтобы система полностью остыла.
Из-за чего не в полной мере растормаживаются механизмы колес
Вероятнее всего, при возникновении данной неисправности вы столкнетесь с заеданием тормозной педали. В этом случае потребуется провести ее регулировку.
Также причиной может стать исчезновение зазора между поршнем главного цилиндра и болтом регулировки вакуумного усилителя. Для решения этой проблемы необходимо увеличить просвет.
Если в тормозную жидкость попадут топливо или масло, это может привести к набуханию прокладок в главном цилиндре. В таком случае потребуется промыть всю систему новой тормозной жидкостью и заменить поврежденные уплотнители.
Наблюдается торможение одного из колес при езде
Наиболее распространенной причиной данной неисправности является повреждение стягивающей пружины заднего тормоза. В таком случае старую деталь необходимо демонтировать и установить новую.
Также часто возникают проблемы с поршнями в колесных цилиндрах, если в них попадает грязь или начинается коррозия. Проведение чистки и промывки поможет устранить данную проблему.
Иногда затрудненное торможение может быть связано с ослаблением болтов, которые фиксируют направляющие колодки к поворотному кулаку. Повторное затягивание или замена этих болтов на новые позволит решить проблему.
Наконец, причиной может стать неправильная настройка стояночной тормозной системы.
Машину заносит или ведет в сторону при нажатии на тормоз
Наиболее часто такая ситуация возникает, когда поршень в колесном цилиндре заедает. В этом случае необходимо разобрать цилиндр и очистить его. Все поврежденные детали следует заменить новыми.
Иногда проблема может возникнуть из-за повреждения или засорения одной из металлических трубок тормозной системы.
Также к заносу при торможении может привести попадание масла на такие элементы системы, как диски, накладки и барабаны. В этом случае их нужно обезжирить.
Кроме того, это может указывать на неисправность регулятора давления – его ремонт не предусмотрен, поэтому его заменяют на новый.
Схема системы отопления ВАЗ-2115
Наконец, занос автомобиля при торможении может происходить из-за:
- неправильно установленных углов колес;
- недостаточного давления в одной из шин;
- неисправности одного из тормозных контуров.
Подробно о том, как заменить тормозные колодки на ВАЗ-2115, можно узнать из этого видео:

Проблемы с тормозной жидкостью
Тормозная жидкость является одним из ключевых компонентов тормозной системы автомобиля ВАЗ-2115 с инжекторным двигателем. Она отвечает за передачу усилия от тормозного педали к тормозным механизмам, обеспечивая эффективное замедление и остановку автомобиля. Однако, как и любой другой элемент системы, тормозная жидкость может столкнуться с различными проблемами, которые могут негативно сказаться на безопасности и управляемости автомобиля.
Одной из наиболее распространенных проблем является утечка тормозной жидкости. Утечки могут происходить из-за износа или повреждения тормозных шлангов, соединений или цилиндров. Если уровень тормозной жидкости падает ниже допустимого, это может привести к потере тормозного усилия и, как следствие, к аварийной ситуации. Важно регулярно проверять уровень жидкости в резервуаре и обращать внимание на любые признаки утечек, такие как пятна жидкости под автомобилем.
Еще одной распространенной проблемой является загрязнение тормозной жидкости. Со временем в жидкости могут накапливаться вода, воздух и различные примеси, что снижает ее эффективность. Вода, попадая в тормозную жидкость, может привести к образованию паровых пробок, что также негативно сказывается на работе тормозов. Рекомендуется периодически менять тормозную жидкость, следуя рекомендациям производителя, чтобы избежать таких проблем.
Температура тормозной жидкости также играет важную роль в ее работе. При интенсивном торможении жидкость может перегреваться, что приводит к снижению ее эффективности и образованию паровых пробок. Это особенно актуально для автомобилей, которые часто используются в условиях активного вождения или при буксировке тяжелых прицепов. Для предотвращения перегрева необходимо следить за состоянием тормозной системы и избегать перегрузок.
Кроме того, стоит обратить внимание на совместимость тормозной жидкости с материалами, из которых изготовлены компоненты тормозной системы. Неправильный выбор жидкости может привести к коррозии и повреждению деталей, что также может стать причиной неисправностей. При замене тормозной жидкости следует использовать только те продукты, которые рекомендованы производителем.
В заключение, проблемы с тормозной жидкостью могут существенно повлиять на безопасность и работоспособность тормозной системы ВАЗ-2115. Регулярное обслуживание, проверка уровня жидкости и ее состояния, а также соблюдение рекомендаций по замене помогут избежать серьезных неисправностей и обеспечат надежную работу тормозов.
Вопрос-ответ
Как понять, что проблемы с тормозной системой?
Проблемы с тормозной системой можно заподозрить по нескольким признакам: появлению скрипов или стуков при торможении, увеличению тормозного пути, вибрации педали тормоза, утечкам тормозной жидкости, а также если педаль тормоза становится слишком мягкой или, наоборот, слишком жесткой. Если вы заметили хоть один из этих симптомов, рекомендуется немедленно обратиться к специалисту для диагностики и ремонта.
Какие бывают неисправности тормозной системы?
Неисправности тормозной системы могут включать износ тормозных колодок, утечку тормозной жидкости, повреждение тормозных дисков или барабанов, неисправности главного тормозного цилиндра, проблемы с тормозными шлангами, а также недостаточное давление в системе. Эти неисправности могут привести к снижению эффективности торможения и увеличению риска аварий.
Советы
СОВЕТ №1
Регулярно проверяйте уровень тормозной жидкости. Низкий уровень может указывать на утечку в системе, что может привести к серьезным неисправностям. Убедитесь, что жидкость соответствует требованиям производителя и заменяйте её по мере необходимости.
СОВЕТ №2
Обращайте внимание на посторонние звуки при торможении. Скрип, стук или визг могут сигнализировать о износе тормозных колодок или дисков. Если вы заметили такие звуки, рекомендуется провести диагностику тормозной системы как можно скорее.
СОВЕТ №3
Проверяйте состояние тормозных колодок и дисков. Регулярная проверка на износ поможет избежать серьезных проблем и повысит безопасность на дороге. Заменяйте колодки при достижении минимальной толщины, указанной производителем.
СОВЕТ №4
Не игнорируйте предупреждающие сигналы на приборной панели. Если загорается индикатор тормозной системы, это может указывать на проблемы, требующие немедленного внимания. Проверьте систему и при необходимости обратитесь к специалисту.

