ВАЗ-2112 — популярный среди российских водителей автомобиль благодаря надежности и доступной цене. Важным аспектом эксплуатации является объем топливного бака. Знание его характеристик поможет владельцам планировать поездки, оценивать запас хода и избегать нехватки топлива. В этой статье рассмотрим объем и литраж бака ВАЗ-2112 и его влияние на эффективность использования автомобиля.
Бак ВАЗ-2112: особенности устройства
Автомобиль, как и многие другие механизмы, состоит из множества деталей и систем, которые находятся в тесной взаимосвязи. Это взаимодействие гарантирует надежную и эффективную работу всего транспортного средства. Каждая деталь выполняет свою уникальную функцию, и все они необходимы для нормального функционирования. Если одна из них выходит из строя, это может привести к сбоям в работе автомобиля.
Топливный бак, хотя и не является ключевым элементом, играет важную роль в автомобиле. Его основная задача заключается в хранении топлива, что, в свою очередь, обеспечивает работу двигателя. Кроме того, бак предотвращает утечку топлива и защищает окружающую среду от вредных веществ, которые могут образовываться в процессе испарения топлива.
Эксперты отмечают, что объем топливного бака автомобиля ВАЗ-2112 составляет 50 литров. Это значение является стандартным для многих моделей данного семейства, что обеспечивает достаточный запас топлива для поездок на средние расстояния. При этом, важно учитывать, что реальный объем usable может варьироваться в зависимости от состояния бака и системы подачи топлива. Специалисты рекомендуют следить за уровнем топлива и не допускать его полного исчерпания, чтобы избежать проблем с системой питания. Кроме того, правильное использование топлива и регулярное техническое обслуживание автомобиля помогут продлить срок службы как самого бака, так и двигателя в целом.

Где находится
В большинстве легковых автомобилей бак для топлива располагается в одном и том же месте, и наш экземпляр не является исключением. Он размещен под задним сиденьем, что обеспечивает ему максимальную защиту от возможных повреждений. Для повышения надежности конструкции используется специальная система крепления, состоящая из ленточных хомутов, которые надежно фиксируют бак на месте.
Нижняя часть бака защищена металлической пластиной, установленной в нижней части автомобиля. Также важно учитывать, что бак не должен перегреваться, так как он находится вблизи выхлопной трубы, температура которой может достигать значительных значений.
Для решения этой проблемы предусмотрена специальная прокладка, обеспечивающая теплоизоляцию.
| Модель автомобиля | Объем бака (литры) | Примечание |
|---|---|---|
| ВАЗ-2112 | 43 | Стандартный объем топливного бака |
| ВАЗ-2112 (тюнинг) | 50+ | Возможна установка увеличенного бака |
| ВАЗ-2112 (ранние версии) | 43 | Объем бака не менялся на протяжении выпуска |
Интересные факты
Вот несколько интересных фактов о ВАЗ-2112 и ее топливном баке:
-
Объем бака: Топливный бак ВАЗ-2112 имеет объем 50 литров. Это позволяет автомобилю обеспечивать достаточно большой запас хода на одной заправке, что особенно важно для поездок на дальние расстояния.
-
Эффективность расхода топлива: ВАЗ-2112, в зависимости от типа двигателя и стиля вождения, может расходовать от 7 до 10 литров топлива на 100 км. Это делает ее довольно экономичным автомобилем для своего класса, особенно с учетом объема бака.
-
Конструкция и безопасность: Топливный бак ВАЗ-2112 выполнен из прочного пластика, что снижает риск коррозии и утечек. Кроме того, конструкция бака обеспечивает защиту от повреждений при незначительных ударах, что повышает безопасность автомобиля в случае аварии.

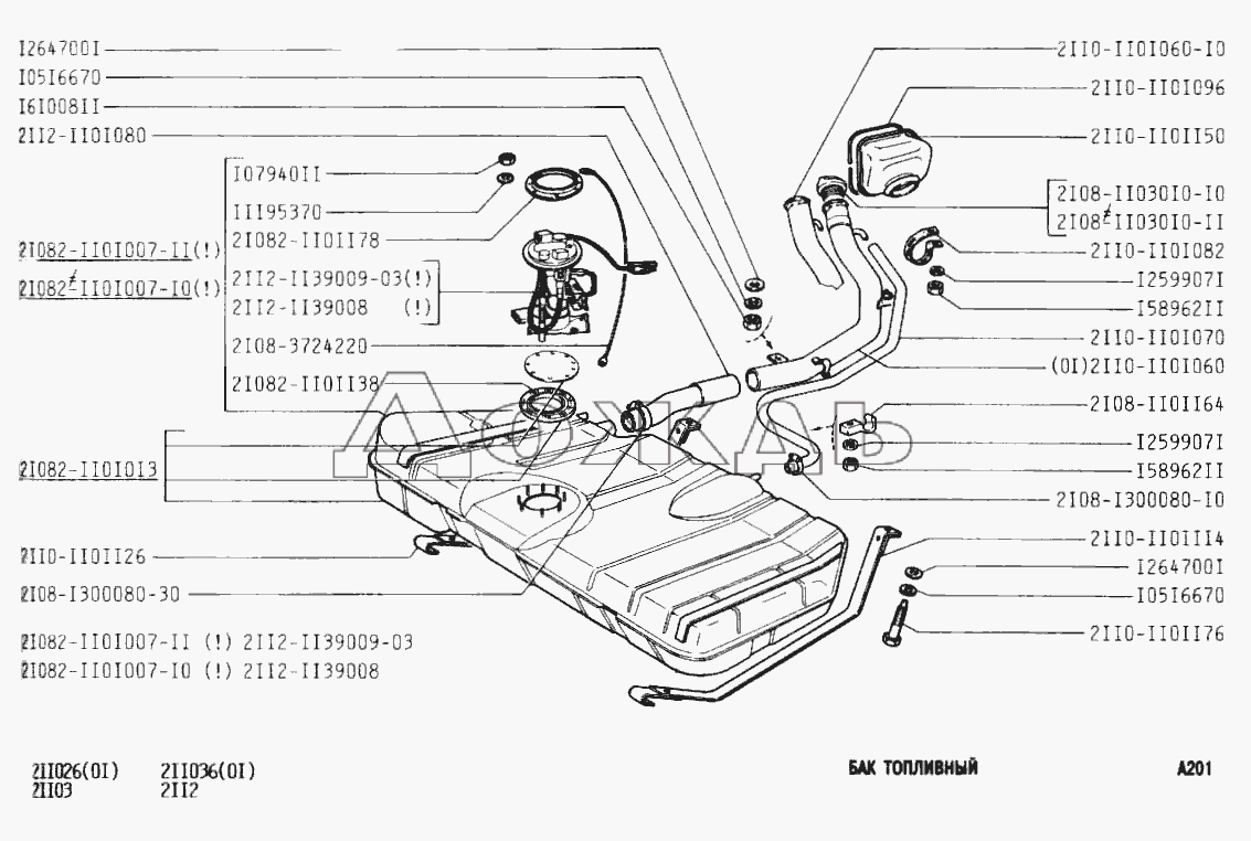
Конструкция бака ВАЗ-2112
Для заправки автомобиля используется специальная горловина, расположенная над задним крылом. При этом не имеет значения, с какой стороны она находится — слева или справа. На практике, более удобным считается левосторонний вариант, однако в данном автомобиле горловина для топлива расположена справа. После того как вы залили нужное количество бензина, важно закрыть горловину. Для этого предусмотрена крышка с винтовым механизмом. В противном случае может произойти утечка топлива.
Бензин или дизельное топливо являются основными источниками энергии для работы автомобиля. Они подаются к системе с помощью электрического насоса.
Сколько топлива необходимо
Этот вопрос действительно имеет большое значение. При заправке автомобиля важно знать, сколько бензина можно залить, особенно если вы планируете заправить полный бак. Например, если вы собираетесь в дальнюю поездку, вам потребуется достаточно топлива для комфортного путешествия.
Каждый автомобиль оснащен своим топливным баком, который отличается как конструкцией, так и объемом. Обычно он рассчитан на то, чтобы обеспечить пробег около пятисот километров на бензине. В случае с дизельным топливом эти показатели несколько иные. Полная заправка дизельного бака позволяет проехать большее расстояние.
Как заменить радиатор отопителя на ВАЗ-2112 с 16 клапанами
Объем бака ВАЗ-2112
Объем топливного бака данного автомобиля зависит от множества факторов. Во-первых, в транспортном средстве могут быть установлены различные типы двигателей, например, с 8 или 16 клапанами. Это влияет на расход топлива, и, соответственно, размеры баков могут различаться.
Узнать объем бака достаточно просто. Эта информация указана в техническом паспорте автомобиля. Перед началом эксплуатации важно ознакомиться с этим документом, чтобы избежать возможных проблем.
Максимальный объем топливного бака составляет 43 литра бензина. Для определения оставшегося количества топлива используется специальный датчик, который предоставляет эту информацию. Минимальный уровень топлива фиксируется на отметке 10 литров. Как только уровень опустится до этой цифры, датчик сработает, сигнализируя о необходимости заправки.
Что касается выбора бензина, то и эту информацию можно найти в техническом паспорте. Для данного автомобиля подходят как 92-й, так и 95-й бензин. Заполнив бак полностью, можно проехать до 550 км, что является довольно внушительным показателем.
Знание объема бака – это ключевая информация для каждого водителя. Это поможет сделать использование автомобиля более комфортным и избежать лишних проблем. Кроме того, объем бака играет важную роль при планировании затрат на топливо в длительных поездках.
Тем не менее, это не значит, что нельзя заправлять полный бак просто так. Наоборот, это может сэкономить ваше время, избавив от частых поездок на заправку, особенно когда возникают очереди. Заполнив бак, вы сможете спокойно проехать значительное расстояние. Однако не забывайте следить за показаниями датчиков. Как только они начнут сигнализировать, пора будет снова заправиться.

Рекомендации по уходу за топливным баком
Топливный бак является одним из ключевых элементов автомобиля, и его правильное обслуживание играет важную роль в обеспечении надежной работы двигателя и общей безопасности транспортного средства. ВАЗ-2112, как и многие другие автомобили, требует регулярного ухода за своим топливным баком, чтобы избежать различных проблем, связанных с системой подачи топлива.
Первое, на что стоит обратить внимание, это регулярная проверка состояния бака. Важно следить за наличием коррозии, трещин и других повреждений, которые могут привести к утечкам топлива. Если вы заметили какие-либо признаки повреждения, рекомендуется обратиться к специалисту для проведения диагностики и, при необходимости, замены бака.
Также стоит обратить внимание на качество топлива, которое вы заливаете в бак. Некачественное топливо может содержать примеси и воду, что негативно сказывается на работе двигателя и может привести к засорению фильтров и форсунок. Рекомендуется использовать топливо, соответствующее стандартам, и избегать заправок на сомнительных АЗС.
Не забывайте о регулярной замене топливного фильтра. Он защищает систему подачи топлива от загрязнений и продлевает срок службы насоса и других компонентов. Рекомендуется менять фильтр каждые 15-20 тысяч километров пробега или в соответствии с рекомендациями производителя.
Кроме того, стоит следить за уровнем топлива в баке. Постоянное использование автомобиля на почти пустом баке может привести к перегреву топливного насоса, так как он будет работать в условиях недостатка смазки. Это может сократить срок службы насоса и привести к его поломке.
Наконец, важно помнить о том, что в холодное время года необходимо следить за тем, чтобы в баке не образовывался конденсат. Для этого рекомендуется периодически заправлять бак до полного, особенно в зимний период, чтобы минимизировать количество воздуха в баке и, соответственно, риск образования влаги.
Следуя этим рекомендациям, вы сможете значительно продлить срок службы топливного бака вашего ВАЗ-2112 и обеспечить надежную работу автомобиля в любых условиях.
Вопрос-ответ
Какой объем бензобака у ВАЗ 2112?
Lada (ВАЗ) 2112 имеет топливный бак объёмом 43 литра.
Сколько литров остается в баке, когда загорается лампочка ВАЗ 2110?
На сколько хватает бензина после загорания лампочки Т. Е.? Лампочка загорается, когда в бензобаке остается примерно 5–10 л.
Какой расход топлива на ВАЗ 2112 16 клапанов?
Расход топлива — город 8,8 л. | трасса 5,5 л. | смешанный 7,2 л/100 км.
Советы
СОВЕТ №1
Перед покупкой автомобиля ВАЗ-2112, уточните у продавца информацию о состоянии топливного бака. Это поможет избежать неожиданных расходов на его замену или ремонт в будущем.
СОВЕТ №2
Регулярно проверяйте уровень топлива в баке и не допускайте его полного исчерпания. Это поможет избежать засорения топливного фильтра и продлит срок службы топливной системы.
СОВЕТ №3
Если вы планируете длительные поездки, учитывайте объем бака в 50 литров и рассчитывайте маршрут с учетом заправок. Это поможет избежать ситуаций, когда вам придется искать заправку в удаленных местах.

