Владельцы ВАЗ-2110 часто сталкиваются с проблемами запуска двигателя, одной из причин которых может быть неисправность реле стартера. Это устройство подает электрический сигнал на стартер, и его состояние влияет на работоспособность автомобиля. В статье рассмотрим, где находится реле стартера на ВАЗ-2110, его функции и важность в системе запуска двигателя. Знание местоположения и принципа работы этого элемента поможет быстрее диагностировать и устранить неисправности, что полезно для автолюбителей, предпочитающих самостоятельный ремонт.
Принцип работы реле стартера ВАЗ-2110
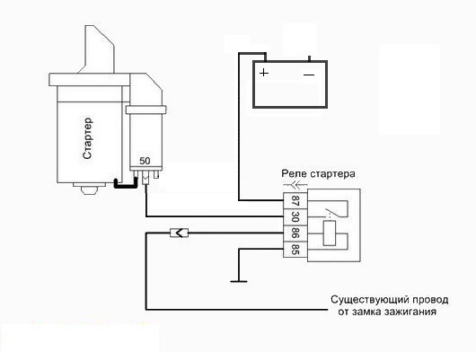
Реле стартера на стандартной модели «десятка» отвечает за вращение шестерен привода, которые соединяются с зубьями коленчатого вала. Именно благодаря этому механизму передается усилие на вал, что и приводит к запуску двигателя. Если реле выходит из строя, инжектор не сможет запуститься. Управление этим элементом осуществляется через ключ зажигания: его поворот инициирует подачу питания и запуск мотора. Схема работы представлена на изображении.
Кроме того, данное устройство обеспечивает питание электродвигателя стартера, что происходит за счет замыкания контактов на тяговой обмотке.
Энергия поступает от аккумулятора. Реле также выполняет защитную функцию, предохраняя стартер от перегрузок, однако из-за высокого потребления тока его контакты могут выйти из строя. Признаки неисправности этого узла проявляются в виде затрудненного запуска двигателя и периодических сбоев работы стартера.
Как снять стартер на ВАЗ-2110?
Реле стартера на ВАЗ-2110 является важным элементом системы запуска двигателя. Эксперты отмечают, что оно расположено в блоке предохранителей, который находится под приборной панелью, с правой стороны от водителя. Это реле отвечает за подачу напряжения на стартер, что позволяет запустить двигатель. При неисправности реле стартер может не срабатывать, что приводит к проблемам с запуском автомобиля. Специалисты рекомендуют периодически проверять состояние реле, особенно если возникают трудности с запуском. Замена реле стартера — это простая процедура, которую можно выполнить самостоятельно, что делает его доступным для большинства автовладельцев.

Как добраться до реле
Процесс снятия реле и стартера не является сложным и под силу даже тем, кто никогда не занимался ремонтом своего автомобиля. Чтобы успешно демонтировать втягивающее реле, выполните следующие шаги:
- В первую очередь отключите питание автомобиля, сняв минусовую клемму с аккумулятора.
- Обратите внимание немного левее и ниже аккумулятора – рядом с коробкой передач вы найдете стартер. Для доступа к нему потребуется удалить воздушный фильтр.
- К втягивающему реле подключено несколько проводов, отсоедините их.
- Силовой провод крепится гайкой, которую можно легко открутить ключом на 13.
- Стартер фиксируется гайками большего размера – их следует откручивать ключом на 15. Наиболее сложным будет откручивание нижнего крепления.
- Нижний вывод втягивающего также удерживается гайкой, удалите ее и отсоедините провода. Остальные крепежи можно демонтировать ключом на 8, после чего извлеките реле.
Установка нового втягивающего реле осуществляется достаточно просто – просто выполните эти шаги в обратном порядке. Также вы можете посмотреть видео, в котором подробно описаны все этапы демонтажа реле. Это поможет вам лучше понять, как найти реле и заменить его на новое.
| Аспект | Описание | Местоположение на ВАЗ-2110 |
|---|---|---|
| Что такое реле стартера? | Электромагнитное устройство, предназначенное для коммутации больших токов, необходимых для запуска стартера. Оно защищает замок зажигания от перегрузки, так как через него проходит лишь небольшой управляющий ток. | Под капотом, обычно в монтажном блоке (блоке предохранителей и реле). |
| Принцип работы | При повороте ключа зажигания в положение “Старт” на обмотку реле подается небольшой ток. Это создает электромагнитное поле, которое притягивает якорь реле, замыкая силовые контакты. Через эти контакты большой ток от аккумулятора поступает на стартер, приводя его в действие. | В монтажном блоке, обычно обозначено символом стартера или буквой “К” с номером (например, К1, К2). |
| Внешний вид | Небольшой пластиковый корпус (обычно черный или серый) с несколькими контактами (обычно 4 или 5). На корпусе может быть схема подключения или маркировка. | Внутри монтажного блока, среди других реле и предохранителей. Для доступа к нему может потребоваться снять крышку монтажного блока. |
| Функции | 1. Защита замка зажигания от перегрузки. 2. Обеспечение надежного включения стартера. 3. Увеличение срока службы замка зажигания. | В монтажном блоке, который расположен в моторном отсеке, ближе к лобовому стеклу, со стороны водителя. |
| Возможные неисправности | 1. Не включается стартер (щелчки реле отсутствуют или слабые). 2. Стартер включается, но не крутит двигатель. 3. Стартер постоянно крутит двигатель после отпускания ключа. | Проявляются при попытке завести автомобиль. Для диагностики необходимо проверить само реле, его контакты и проводку. |
Интересные факты
Вот несколько интересных фактов о реле стартера на ВАЗ-2110:
-
Функция реле стартера: Реле стартера выполняет важную роль в запуске двигателя. Оно служит для управления подачей напряжения на стартер, позволяя ему работать только тогда, когда это действительно необходимо. Это помогает предотвратить перегрев и повреждение стартера, а также экономит энергию аккумулятора.
-
Расположение: На ВАЗ-2110 реле стартера обычно находится в блоке предохранителей, который расположен под капотом автомобиля, рядом с аккумулятором. Это делает его доступным для проверки и замены, если возникнут проблемы с запуском двигателя.
-
Признаки неисправности: Если реле стартера выходит из строя, это может проявляться в виде щелчков при попытке запустить двигатель, но сам стартер не будет вращаться. В некоторых случаях может быть слышен звук работы стартера, но двигатель не запускается. В таких ситуациях стоит проверить реле, а также соединения и проводку, чтобы исключить другие возможные неисправности.

Как проверить работоспособность
Работоспособность реле можно проверить, не снимая его с места. Рекомендуется выполнить эту проверку перед тем, как приступать к демонтажу узла. Стартер и реле находятся в одном корпусе, который оснащен клеммами. Важно следить за тем, чтобы клеммы не замыкались между собой. Проверка осуществляется следующим образом:
- Сначала измерьте максимальное напряжение. Идеальное значение не должно превышать 8В.
- При запуске стартера температура корпуса не должна превышать 25 градусов. В противном случае устройство может работать неэффективно.
- Проведите визуальный осмотр агрегата. Иногда на нем можно обнаружить трещины или нагар, что может указывать на его неисправность.
Причины, по которым ВАЗ-2110 может не заводиться, а стартер не крутит и не щелкает
После этого можно переходить к демонтажу устройства. После разборки будет проще определить состояние втягивающего и, при возможности, устранить проблему. В большинстве случаев владельцам ВАЗ-2110 рекомендуется заменить реле на новое.
Наиболее часто встречающиеся поломки
Одной из наиболее распространенных проблем является ослабление крепления наконечника силового провода. Затянуть его довольно просто, и заодно стоит проверить все остальные гайки. Второй частой причиной неисправности этого узла является окисление контактов. Если вы заметили проблему на ранней стадии, достаточно очистить контакты, и устройство снова заработает. Если же очистка не дает результата, потребуется их замена.
Окисление часто возникает на обмотке, что может привести к невозможности ее блокировки. Вы можете попробовать очистить обмотку, но опытные автомобилисты советуют сразу заменить реле, так вы сможете дольше эксплуатировать свой автомобиль без проблем.
Еще одной возможной причиной трудностей с запуском двигателя является обрыв цепи питания втягивающего реле. Вам нужно будет найти и устранить эту неисправность. Найдите поврежденные провода и замените их новыми. После завершения работы обязательно проверьте цепь питания реле. Один из способов проверить работоспособность разобранного реле — использовать омметр. Для этого нужно подключить щупы прибора к виткам двух обмоток.
Иногда достаточно заменить якорь. Это необходимо делать, если он срабатывает медленно или работает вхолостую. Эти симптомы явно указывают на неисправность якоря. Автолюбителю с небольшим опытом может быть сложно самостоятельно выявить проблемы с этим элементом.
Ремонт стартера ВАЗ-2110 своими руками
Ремонт реле — это более затратное занятие, чем его замена, поэтому проще сразу заменить неисправную деталь. Это сэкономит ваше время, ведь не всегда ремонт оказывается успешным, и он часто требует значительных усилий. Попытка восстановить узел может быть рискованной — при неправильном ремонте реле вы можете остаться без автомобиля на длительный срок, так как запуск двигателя будет заблокирован. В таком случае потребуется более сложный ремонт, который невозможно выполнить без помощи специалистов.

Замена реле стартера: пошаговая инструкция
Замена реле стартера на ВАЗ-2110 — это процесс, который может потребоваться в случае неисправности данного элемента. Реле стартера отвечает за передачу электрического сигнала от аккумулятора к стартеру, что позволяет запустить двигатель. Если ваш автомобиль не заводится, и вы подозреваете, что проблема может быть в реле, следуйте этой пошаговой инструкции для его замены.
- Подготовка инструментов и материалов: Вам понадобятся следующие инструменты: набор ключей, отвертка, мультиметр для проверки электрических соединений, а также новое реле стартера, соответствующее модели вашего автомобиля.
- Отключение аккумулятора: Перед началом работы обязательно отключите отрицательную клемму аккумулятора. Это предотвратит случайное короткое замыкание и защитит вас от электрического удара.
- Нахождение реле стартера: Реле стартера на ВАЗ-2110 расположено в блоке предохранителей, который находится под панелью приборов со стороны водителя. Для доступа к блоку предохранителей может потребоваться снять защитную крышку.
- Проверка реле: Перед заменой реле рекомендуется проверить его работоспособность. Для этого с помощью мультиметра проверьте наличие напряжения на контактах реле при включении зажигания. Если напряжение отсутствует, возможно, проблема в проводке или в самом реле.
- Снятие старого реле: Аккуратно отсоедините реле от разъема, потянув его вверх. Убедитесь, что вы не повредили провода. Если реле зафиксировано винтами, используйте отвертку для их откручивания.
- Установка нового реле: Установите новое реле на место старого, убедившись, что оно правильно зафиксировано. Подключите разъем, следя за тем, чтобы контакты плотно соединились.
- Подключение аккумулятора: После установки нового реле подключите обратно отрицательную клемму аккумулятора. Убедитесь, что соединение надежное.
- Тестирование: Попробуйте завести автомобиль. Если двигатель запускается, значит, замена реле стартера прошла успешно. Если проблема не решена, возможно, стоит проверить другие элементы системы запуска.
Следуя этой инструкции, вы сможете самостоятельно заменить реле стартера на ВАЗ-2110, что сэкономит вам время и деньги на обращение в сервисный центр.
Вопрос-ответ
Какова функция реле стартера на ВАЗ-2110?
Реле стартера на ВАЗ-2110 служит для управления подачей электрического тока к стартеру. Оно активирует стартер при повороте ключа зажигания в положение “старт”, обеспечивая запуск двигателя.
Где именно расположено реле стартера в автомобиле ВАЗ-2110?
Реле стартера на ВАЗ-2110 обычно находится в блоке предохранителей, который расположен под приборной панелью со стороны водителя. Для доступа к реле может потребоваться снять крышку блока предохранителей.
Как можно проверить работоспособность реле стартера?
Для проверки реле стартера можно использовать мультиметр, чтобы измерить напряжение на его выводах. Также можно временно заменить реле на исправное, чтобы убедиться, что проблема заключается именно в нем, а не в других элементах системы запуска.
Советы
СОВЕТ №1
Перед началом работы с реле стартера на ВАЗ-2110 обязательно отключите аккумулятор. Это поможет избежать короткого замыкания и защитит вас от электрического удара.
СОВЕТ №2
При поиске реле стартера обратите внимание на расположение блока предохранителей. Обычно реле находится в салоне автомобиля, рядом с предохранителями, что облегчает доступ к нему.
СОВЕТ №3
Если у вас возникли проблемы со стартером, проверьте не только реле, но и проводку. Иногда причина неисправности может заключаться в поврежденных проводах или коррозии контактов.
СОВЕТ №4
Рекомендуется периодически проверять состояние реле стартера и других электрических компонентов автомобиля. Это поможет предотвратить неожиданные поломки и продлить срок службы вашего автомобиля.

