Задние габариты автомобиля ВАЗ-2114 важны для безопасности на дороге, особенно при плохой видимости. Их неработоспособность может привести к штрафам и авариям. В статье рассмотрим основные причины неисправности задних габаритов и предложим пошаговые рекомендации по диагностике и ремонту. Эти знания помогут владельцам ВАЗ-2114 быстро устранить проблему и обеспечить безопасность на дороге.
Характеристики габаритных огней ВАЗ-2114
ВАЗ-2114 является частью второго поколения модели «Самара». Габаритные огни расположены в соответствии с техническими стандартами на краях передней и задней частей кузова, рядом с поворотниками, и входят в состав фар.
- В отличие от передних габаритных огней, задние имеют красный цвет.
- Кнопка для активации этих огней находится в блоке управления наружным освещением, который расположен в центре приборной панели, над бортовым компьютером. При включении габаритов на выключателе загорается зеленая подсветка.
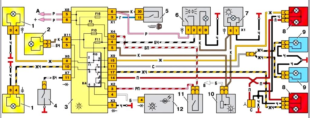
В моторном отсеке, под капотом автомобиля, размещен монтажный блок с предохранителями. Если у вас не функционируют огни с одной стороны, вероятнее всего, проблема заключается в одном из предохранителей. Наиболее заметной является неисправность элемента F10, так как он отвечает не только за работу правой стороны габаритных огней, но и за контрольную лампу.
Если фонари не работают с левой стороны, необходимо заменить предохранитель F11.
Почему не светится приборная панель ВАЗ-2114
Неисправность задних габаритов на ВАЗ-2114 может быть вызвана несколькими причинами. Эксперты отмечают, что одной из самых распространенных проблем является перегорание лампочек. Важно регулярно проверять их состояние и заменять при необходимости. Также стоит обратить внимание на предохранители, так как их повреждение может привести к отключению габаритов.
Кроме того, специалисты рекомендуют проверить проводку на наличие повреждений или коррозии, которые могут нарушать электрический контакт. В некоторых случаях причиной может быть неисправность переключателя света. Для диагностики лучше обратиться к профессионалам, которые смогут точно определить источник проблемы и предложить эффективное решение. Регулярное техническое обслуживание автомобиля поможет избежать подобных ситуаций в будущем.

Почему может не гореть задний габарит
Ни один автолюбитель не застрахован от проблем с габаритными огнями. Важно быстро определить причину неисправности и выполнить ремонт. Чаще всего выходит из строя одна из ламп, и в этом случае можно выделить несколько возможных причин:
- лампа перегорела;
- плохой контакт;
- повреждение проводки, идущей к лампе.
Наиболее распространенной причиной является перегорание лампы, и в этом случае достаточно просто заменить неисправный элемент. Если лампа работает только при ударе по ней, это указывает на проблемы с контактами (хотя физическое воздействие не всегда помогает). Если при проверке вы обнаружили, что лампочка целая, а в патроне нет окисления или нагара, стоит проверить проводку.
Замена поврежденной лампы в заднем блоке фар осуществляется по следующему алгоритму:
- отключите свет и откройте багажник;
- снимите декоративную обивку;
- сожмите фиксаторы и извлеките контактную панель фонаря;
- нажмите на сгоревшую лампу и поверните ее против часовой стрелки;
- проверьте лампочку с помощью тестера и при необходимости установите новую.
Сборка фонарей выполняется в обратном порядке. Также можно заменить фонарь целиком. Важно лишь выбрать качественный аналог, который не будет отличаться от оригинала. Автолюбители часто советуют приобретать оригинальные комплектующие или обратить внимание на продукцию компании «Освар». Замена целиком рекомендуется в случаях значительных повреждений конструкции.
Лампы задних габаритов иногда не сразу перегорают или отказываются работать, а сигнализируют о проблемах слабым свечением. В первую очередь стоит очистить контакты в монтажном блоке, а если это не поможет, проверьте проводку, ведущую к каждой лампе.
| Причина неисправности | Что делать | Дополнительные рекомендации |
|---|---|---|
| Перегорели лампочки | Заменить перегоревшие лампочки на новые. | Используйте лампочки соответствующего типа и мощности (обычно 5W). Проверьте обе лампочки, так как одна могла перегореть раньше. |
| Неисправен предохранитель | Проверить предохранитель, отвечающий за габаритные огни (обычно F10 или F11 в блоке предохранителей под капотом или в салоне). Заменить его на новый, если он перегорел. | Перед заменой предохранителя убедитесь, что зажигание выключено. Используйте предохранитель того же номинала (обычно 10А). Если новый предохранитель сразу перегорает, ищите короткое замыкание. |
| Плохой контакт в патроне лампочки | Очистить контакты в патроне лампочки от окисления и грязи. Подогнуть контакты для лучшего прилегания. | Можно использовать мелкую наждачную бумагу или специальный очиститель контактов. Убедитесь, что патрон не имеет видимых повреждений. |
| Обрыв проводки | Визуально осмотреть проводку, идущую к задним габаритам, на предмет повреждений (перетирания, обрывы). Прозвонить провода мультиметром. | Если обнаружен обрыв, восстановить целостность проводки (спаять, использовать клеммы). Обратите внимание на места прохождения проводки через кузовные элементы. |
| Неисправен подрулевой переключатель | Проверить работу подрулевого переключателя (включить/выключить габариты несколько раз). Если другие функции переключателя работают некорректно, возможно, он неисправен. | Для более точной диагностики может потребоваться мультиметр. В случае неисправности, переключатель подлежит замене. |
| Неисправно реле габаритных огней (если установлено) | Определить местоположение реле (если оно есть в вашей комплектации) и проверить его работоспособность. | Реле можно проверить, заменив его на заведомо исправное, или прозвонив его контакты. |
| Коррозия или плохой контакт в разъемах | Проверить разъемы, идущие к задним фонарям, на наличие коррозии или ослабленных контактов. | Очистить разъемы от коррозии, обработать специальным спреем для контактов. Убедиться в надежности соединения. |
| Неисправность “массы” (заземления) | Проверить надежность соединения провода “массы” (обычно черного цвета) от задних фонарей к кузову автомобиля. | Очистить место крепления “массы” от ржавчины и грязи, обеспечить надежный контакт. |
Интересные факты
Вот несколько интересных фактов о проблемах с задними габаритами на ВАЗ-2114 и возможных решениях:
-
Общая проблема с проводкой: На ВАЗ-2114 часто возникают проблемы с задними габаритами из-за износа проводки или коррозии контактов. Проводка может повреждаться из-за воздействия влаги или механических повреждений, что приводит к плохому контакту и, как следствие, к неработающим габаритам.
-
Проверка предохранителей: Одной из первых вещей, которую стоит проверить при неисправности габаритов, является состояние предохранителей. На ВАЗ-2114 предохранители, отвечающие за освещение, могут перегореть, что приведет к отключению задних габаритов. Замена предохранителя — простое и быстрое решение.
-
Светодиоды вместо ламп: Некоторые владельцы ВАЗ-2114 устанавливают светодиодные лампы вместо стандартных, что может улучшить яркость и снизить нагрузку на электросистему. Однако важно убедиться, что светодиоды совместимы с системой автомобиля и не требуют дополнительных резисторов для правильной работы.
Если задние габариты не горят, рекомендуется сначала проверить предохранители и состояние проводки, а затем рассмотреть возможность замены ламп или установки светодиодов.

Что особенно важно контролировать у задних габаритов
Если контрольная лампочка на клавише не светится, но габариты функционируют, первым делом проверьте проводку панели. Извлеките блок клавиш из гнезда и очистите контакты с помощью спирта. Если одновременно с лампочкой не работают габариты с правой стороны, стоит проверить предохранитель. Следует отметить, что они выходят из строя довольно редко, поскольку в модели ВАЗ-2114 установлены более широкие варианты с надежной контактной площадкой.
Если предохранители F10 или F11 часто перегорают, необходимо проверить монтажный блок на наличие неисправностей. Если этот элемент в порядке, проведите диагностику всей электрической цепи. Частые поломки предохранителей могут указывать на замыкание в проводке, что в свою очередь может привести к возгоранию автомобиля без видимых причин.
Что делать, если на ВАЗ-2114 наблюдаются колебания оборотов на холостом ходу
Наиболее распространенной причиной неисправности габаритов является окисление, поэтому регулярно проверяйте блоки задних фонарей. В первую очередь, при ремонте автомобиля протестируйте лампы на целостность, и только затем ищите неисправности в других компонентах. Многие считают, что вероятность выхода ламп из строя невелика, но статистика показывает, что именно в них часто кроются проблемы.

Рекомендации по диагностике и ремонту задних габаритов
Если задние габариты на вашем ВАЗ-2114 не горят, это может быть вызвано несколькими причинами. Для начала, важно провести диагностику, чтобы точно определить источник проблемы. Вот несколько шагов, которые помогут вам в этом процессе.
1. Проверка лампочек
Первым делом стоит проверить сами лампочки. Для этого:
- Снимите заднюю фару, открутив крепежные винты.
- Извлеките лампочки из патронов и визуально осмотрите их на наличие повреждений.
- Если лампочка перегорела, замените её на новую, убедившись, что она соответствует спецификациям вашего автомобиля.
2. Проверка предохранителей
Следующим шагом является проверка предохранителей, отвечающих за работу задних габаритов. Для этого:
- Откройте блок предохранителей, который обычно находится под приборной панелью или в моторном отсеке.
- Найдите предохранитель, отвечающий за габаритные огни (обычно это предохранитель с соответствующей маркировкой).
- Проверьте целостность предохранителя. Если он сгорел, замените его на новый с тем же номиналом.
3. Проверка проводки
Если лампочки и предохранители в порядке, стоит проверить проводку. Проводка может быть повреждена из-за коррозии, механических повреждений или перегрева. Для этого:
- Осмотрите провода, идущие к задним фонарям, на наличие видимых повреждений.
- Проверьте соединения на наличие коррозии или ослабления контактов.
- При необходимости, очистите контакты и заизолируйте поврежденные участки проводки.
4. Проверка переключателя света
Если предыдущие шаги не помогли, возможно, проблема кроется в переключателе света. Для диагностики переключателя:
- Проверьте его работу, переключая между режимами (габариты, ближний свет и т.д.).
- Если переключатель не работает должным образом, его может потребоваться заменить.
5. Обращение к специалистам
Если вы не смогли самостоятельно выявить и устранить проблему, рекомендуется обратиться к квалифицированному специалисту. Автомеханики имеют необходимое оборудование и опыт для более глубокой диагностики и ремонта электрической системы автомобиля.
Следуя этим рекомендациям, вы сможете эффективно диагностировать и устранить неисправности задних габаритов на вашем ВАЗ-2114, обеспечив безопасность на дороге и соответствие требованиям законодательства.
Вопрос-ответ
Что может быть причиной, если не горят задние габариты ВАЗ-2114?
Причинами могут быть неисправности в электрической цепи, такие как перегоревшая лампочка, поврежденные провода или плохие контакты. Также стоит проверить предохранители, так как их перегорание может привести к отключению габаритов.
Как проверить работоспособность задних габаритов на ВАЗ-2114?
Для проверки работоспособности задних габаритов необходимо сначала осмотреть лампочки на предмет повреждений. Затем с помощью мультиметра можно проверить наличие напряжения на контактах. Если напряжение есть, но лампочки не горят, скорее всего, они требуют замены.
Что делать, если задние габариты не горят после замены лампочек?
Если после замены лампочек габариты все еще не работают, стоит проверить проводку на наличие повреждений и коррозии, а также убедиться в исправности переключателя света. В некоторых случаях может потребоваться диагностика электрооборудования автомобиля.
Советы
СОВЕТ №1
Проверьте предохранители. Часто причиной неработающих задних габаритов является перегоревший предохранитель. Найдите блок предохранителей в вашем автомобиле и проверьте соответствующий предохранитель на целостность. Если он перегорел, замените его на новый.
СОВЕТ №2
Осмотрите лампочки. Убедитесь, что лампочки задних габаритов не перегорели. Для этого снимите их и визуально проверьте на наличие повреждений. Если лампочка потемнела или стекло треснуто, замените её на новую.
СОВЕТ №3
Проверьте проводку. Иногда проблема может быть связана с повреждением проводов или плохими контактами. Осмотрите проводку, ведущую к задним габаритам, на наличие изоляции, коррозии или обрывов. При необходимости восстановите соединения или замените поврежденные участки.
СОВЕТ №4
Обратитесь к специалисту. Если после проверки предохранителей, лампочек и проводки проблема не решена, возможно, дело в более сложной неисправности, связанной с электроникой автомобиля. В таком случае лучше обратиться к квалифицированному механику для диагностики и ремонта.

