Монтажный блок ВАЗ-2115 обеспечивает защиту электрических цепей и управление работой компонентов автомобиля. В статье рассмотрим его устройство, расположение предохранителей и реле, а также дадим советы по диагностике и устранению неполадок в электросистеме. Знание особенностей монтажного блока поможет владельцам ВАЗ-2115 эффективно решать проблемы с электропитанием и поддерживать автомобиль в исправном состоянии.
Местоположение предохранителей
Для удобства обслуживания большинство предохранителей размещены в специальном монтажном блоке, и ВАЗ-2115 с инжекторным двигателем не является исключением. Важно помнить, что на данной модели предусмотрено два таких блока.
Первый блок находится в салоне автомобиля, под приборной панелью, рядом с рулем, а второй расположен под капотом, вблизи левого стойки.
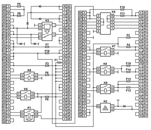
Каждый предохранитель в монтажном блоке имеет свое уникальное обозначение, что позволяет легко определить, за какую цепь он отвечает. Например, предохранители с маркировкой:
- К1 – защищает реле, отвечающее за очистку фар от перенапряжения;
- К2 – отвечает за аварийную сигнализацию и переключение сигналов поворота;
- К3 – обеспечивает питание стеклоочистителей;
- К4 – отвечает за освещение;
- К5 – защищает стеклоподъемники;
- К6 – отвечает за клаксон;
- К7 – защищает обогрев заднего стекла;
- К8 – отвечает за дальний свет фар;
- К9 – отвечает за ближний свет.
Что делать, если бензонасос ВАЗ-2115 не работает
Ниже расположены предохранители с плавкими вставками, которые имеют обозначение F и порядковый номер. Каждый из них рассчитан на определенный ток.
Ампераж указан сверху. Они сгруппированы под основным предохранителем и защищают отдельные цепи, которые контролируются им.
Блок, установленный в салоне, немного отличается от описанного ранее. Он включает в себя:
- три реле;
- ЭБУ;
- три предохранителя.
Каждый из предохранителей предназначен для защиты конкретной цепи от перенапряжения и короткого замыкания.
Снизу вверх:
- питание бортового компьютера (7,5 А);
- радиаторный вентилятор охлаждения, а также клапан адсорбера, датчики ДМРВ, ДК и ДС (7,5 А);
- топливный насос (15 А).
Как уже упоминалось, в этом блоке также находятся три реле. Снизу вверх:
- Основное реле.
- Реле, управляющее работой радиаторного вентилятора.
- Реле, отвечающее за работу топливного насоса.
Монтажный блок ВАЗ-2115 представляет собой ключевой элемент электрической системы автомобиля, обеспечивающий распределение электрических сигналов и питания. Эксперты отмечают, что данный блок отличается надежностью и простотой в обслуживании, что делает его популярным среди владельцев автомобилей этой модели. В конструкции блока предусмотрены предохранители и реле, которые защищают электрические цепи от перегрузок и коротких замыканий.
Специалисты подчеркивают важность регулярной проверки состояния монтажного блока, так как его неисправности могут привести к серьезным проблемам в работе автомобиля. Кроме того, доступность запчастей и простота замены делают его привлекательным для автолюбителей, предпочитающих самостоятельное обслуживание. В целом, монтажный блок ВАЗ-2115 является надежным компонентом, который при должном уходе обеспечивает стабильную работу всех электрических систем автомобиля.

Как узнать, какой предохранитель расплавился
На крышках каждого блока предохранителей размещена схема, предоставленная производителем. С помощью этой схемы можно легко определить, какой предохранитель отвечает за ту или иную электрическую цепь. Крышка блока снимается вручную, без необходимости использования каких-либо специальных инструментов.
Чтобы выявить неисправный элемент в цепи, необходимо учитывать характер возникшей проблемы. Убедиться в том, что предохранитель перегорел, можно двумя способами. Если у вас есть мультиметр, это будет наиболее безопасным вариантом. Для проверки выполните следующие шаги:
- включите зажигание;
- установите тестер на режим звукового сигнала;
- поочередно проверьте каждый предохранитель, касаясь его контактов.
Если мультиметр издает звуковой сигнал, это подтверждает исправность предохранителя.
Если у вас нет вольтметра, можно обойтись и без него, хотя это займет больше времени. Вам потребуется извлечь каждый предохранитель и внимательно его осмотреть. Внутри предохранителя находится плавкая вставка – ее целостность указывает на исправность элемента.
| Элемент монтажного блока | Назначение | Расположение |
|---|---|---|
| Предохранитель F1 (15А) | Омыватель ветрового стекла, омыватель фар | Верхний ряд, первый слева |
| Предохранитель F2 (10А) | Указатели поворота, аварийная сигнализация | Верхний ряд, второй слева |
| Предохранитель F3 (10А) | Дальний свет левой фары | Верхний ряд, третий слева |
| Предохранитель F4 (10А) | Дальний свет правой фары | Верхний ряд, четвертый слева |
| Предохранитель F5 (7.5А) | Ближний свет левой фары | Верхний ряд, пятый слева |
| Предохранитель F6 (7.5А) | Ближний свет правой фары | Верхний ряд, шестой слева |
| Предохранитель F7 (15А) | Противотуманные фары | Верхний ряд, седьмой слева |
| Предохранитель F8 (20А) | Звуковой сигнал, прикуриватель | Верхний ряд, восьмой слева |
| Предохранитель F9 (25А) | Электродвигатель отопителя | Нижний ряд, первый слева |
| Предохранитель F10 (15А) | Стеклоочиститель ветрового стекла | Нижний ряд, второй слева |
| Предохранитель F11 (10А) | Стоп-сигналы, фонари заднего хода | Нижний ряд, третий слева |
| Предохранитель F12 (10А) | Подсветка приборов, габаритные огни | Нижний ряд, четвертый слева |
| Предохранитель F13 (15А) | Электробензонасос | Нижний ряд, пятый слева |
| Предохранитель F14 (10А) | Электронный блок управления двигателем (ЭБУ) | Нижний ряд, шестой слева |
| Предохранитель F15 (30А) | Вентилятор системы охлаждения двигателя | Нижний ряд, седьмой слева |
| Реле К1 | Реле включения дальнего света фар | Рядом с предохранителями F3, F4 |
| Реле К2 | Реле включения ближнего света фар | Рядом с предохранителями F5, F6 |
| Реле К3 | Реле включения противотуманных фар | Рядом с предохранителем F7 |
| Реле К4 | Реле включения звукового сигнала | Рядом с предохранителем F8 |
| Реле К5 | Реле включения электродвигателя отопителя | Рядом с предохранителем F9 |
| Реле К6 | Реле включения стеклоочистителя | Рядом с предохранителем F10 |
| Реле К7 | Реле включения электробензонасоса | Рядом с предохранителем F13 |
| Реле К8 | Реле включения вентилятора системы охлаждения | Рядом с предохранителем F15 |
Интересные факты
Вот несколько интересных фактов о монтажном блоке ВАЗ-2115:
-
Компактность и функциональность: Монтажный блок ВАЗ-2115 спроектирован таким образом, чтобы максимально эффективно использовать пространство под капотом. Он объединяет в себе множество функций, включая распределение электрических сигналов и защиту от короткого замыкания, что делает его важным элементом системы электроснабжения автомобиля.
-
Легкость в обслуживании: В отличие от более сложных систем, монтажный блок ВАЗ-2115 имеет простую конструкцию, что облегчает доступ к предохранителям и реле. Это позволяет владельцам автомобиля самостоятельно производить замену предохранителей и диагностику электрических проблем без необходимости обращения в сервисный центр.
-
Совместимость с другими моделями: Монтажный блок ВАЗ-2115 имеет много общего с блоками других моделей ВАЗ, что позволяет использовать его в качестве запасной части для ремонта различных автомобилей марки. Это делает его более доступным и упрощает процесс поиска необходимых компонентов для владельцев автомобилей ВАЗ.
https://youtube.com/watch?v=51HPRJc5b7g
Замена
Перед тем как заменить предохранители, обязательно отключите зажигание и отсоедините аккумулятор. Это поможет избежать удара электрическим током.
Как извлечь перегоревший предохранитель? В блоке предохранителей обычно имеются специальные щипцы для удаления неисправного элемента (они предоставляются производителем вместе с автомобилем). Рекомендуется устанавливать новый предохранитель также с их помощью. Важно убедиться, что новый элемент соответствует по номиналу старому.
Если подходящего предохранителя не оказалось под рукой, можно использовать временную перемычку. Для этого подойдет любой медный или алюминиевый провод с достаточным сечением. При необходимости его можно скрутить несколько раз.
Если при включении питания предохранитель искрит, это может указывать на короткое замыкание. В таком случае следует проверить все контакты и провода, идущие от него. Иногда может понадобиться снять блок предохранителей. Для этого сначала отключите клемму «минус» от аккумулятора. Затем в салоне отсоедините разъемы с проводами, начиная с верхнего. Блок удерживается на месте гайками, которые нужно открутить с помощью торцевого ключа на 10. После этого останется только снять нижние четыре колодки и извлечь весь узел. Не стоит беспокоиться о том, что вы можете перепутать их при сборке, так как они просто не подойдут в «неподходящее» гнездо.
Не работает вентилятор печки ВАЗ-2115.
Послесловие
Автовладельцам, у которых в автомобилях периодически сгорают предохранители, настоятельно рекомендуется при первой же возможности проверить всю проводку. Часто такая ситуация указывает на наличие серьезных повреждений в одной или нескольких электрических цепях.
Для проведения диагностики вам понадобятся:
- схема электропроводки;
- распиновка разъемов;
- мультиметр.
Если у вас нет достаточных знаний в этой области, лучше не пытаться решить проблему самостоятельно, а доверить её специалистам. Хотя стоимость их услуг может быть довольно высокой, устранение последствий некомпетентного вмешательства обойдется значительно дороже.
https://youtube.com/watch?v=tTOZoJzEuHg
Типы предохранителей и их характеристики
Монтажный блок ВАЗ-2115 оснащен различными типами предохранителей, которые обеспечивают защиту электрических цепей автомобиля от перегрузок и коротких замыканий. В зависимости от назначения и характеристик, предохранители могут различаться по типу, размеру и номинальному току.
Существует несколько основных типов предохранителей, используемых в монтажном блоке ВАЗ-2115:
- Стеклянные предохранители: Эти предохранители имеют стеклянный корпус и металлические контакты. Они часто используются в старых моделях автомобилей и имеют разные номиналы, которые обозначаются цветом. Стеклянные предохранители менее распространены в современных автомобилях, но могут встречаться в некоторых системах.
- Пластиковые предохранители: Наиболее распространенный тип предохранителей в современных автомобилях, включая ВАЗ-2115. Они имеют пластиковый корпус и могут быть различных форматов, включая мини и миди. Пластиковые предохранители более устойчивы к механическим повреждениям и имеют более широкий диапазон номиналов.
- Предохранители типа “Blade”: Эти предохранители имеют плоскую форму и обычно используются в монтажных блоках современных автомобилей. Они легко устанавливаются и заменяются, что делает их удобными для обслуживания. Номиналы таких предохранителей варьируются от 5 до 30 ампер, и каждый номинал имеет свой цвет для облегчения идентификации.
Каждый предохранитель имеет свой номинал, который указывает максимальный ток, который он может пропустить без срабатывания. Если ток превышает этот предел, предохранитель срабатывает, разрывая цепь и предотвращая повреждение электрических компонентов. Номиналы предохранителей в ВАЗ-2115 могут варьироваться от 5 до 30 ампер, в зависимости от конкретного устройства, которое они защищают.
Важно отметить, что при замене предохранителей необходимо использовать только те, которые соответствуют указанным номиналам. Использование предохранителей с более высоким номиналом может привести к перегреву и повреждению электрических систем автомобиля.
Кроме того, в монтажном блоке могут быть предусмотрены предохранители для защиты различных систем автомобиля, таких как:
- Система освещения (фары, габариты);
- Система зажигания;
- Электрические стеклоподъемники;
- Система кондиционирования;
- Аудиосистема;
- Электронные блоки управления.
Каждый из этих предохранителей играет важную роль в обеспечении надежной работы автомобиля и его систем. Поэтому регулярная проверка состояния предохранителей и их замена при необходимости является важной частью технического обслуживания ВАЗ-2115.
Вопрос-ответ
Какой блок ЭБУ стоит на ВАЗ 2115?
Контроллер ЭБУ Январь 7.2 2111-1411020-81, программируемый для ВАЗ 2114, 2115.
Как в народе называют ВАЗ 2115?
Более поздние модели ВАЗ-2108, 2109, частично 2113, 2114 и 2115 именовались «Зубилом», «Зубилой» и «Погремушкой».
Где находится монтажный блок ВАЗ 2115?
На ВАЗ 2115, как и на многих авто, установлено два монтажных блока. Основной находится под капотом, слева возле лобового стекла. Чтобы добраться до него, достаточно отщелкнуть защёлки на крышке. Второй блок спрятан в салоне — под панелью приборов, рядом с бардачком.
Советы
СОВЕТ №1
Перед началом работы с монтажным блоком ВАЗ-2115 обязательно отключите аккумулятор. Это поможет избежать короткого замыкания и защитит вас от электрического удара.
СОВЕТ №2
При снятии и установке предохранителей используйте специальные инструменты, такие как пинцет или пластиковый инструмент, чтобы избежать повреждения контактов и самого блока.
СОВЕТ №3
Регулярно проверяйте состояние предохранителей и реле в монтажном блоке. Заменяйте их при первых признаках износа или повреждения, чтобы избежать проблем с электросистемой автомобиля.
СОВЕТ №4
Изучите схему подключения монтажного блока, чтобы лучше понимать, какие компоненты отвечают за различные функции автомобиля. Это поможет вам быстрее диагностировать и устранять возможные неисправности.

