В статье рассмотрим, как самостоятельно подключить противотуманки на ВАЗ-2110, предоставим пошаговую инструкцию и советы. Противотуманки улучшают видимость в плохую погоду и повышают безопасность, делая автомобиль более заметным. Правильное подключение позволит улучшить функциональность автомобиля и сэкономить на услугах автосервиса.
Требования законодательства
При выборе противотуманных фар в магазине автозапчастей водители сталкиваются с широким ассортиментом компонентов различных форматов и размеров. Согласно ГОСТ 8769-75, владельцы автомобилей ВАЗ-2110 должны соблюдать определенные правила при установке фар:
- Установка одной противотуманной фары запрещена; необходимо монтировать комплект, состоящий из двух фар.
- Расстояние от бокового габарита до фары должно составлять 400 мм, при этом измерения проводятся по внешней стороне рассеивающего устройства.
- Минимальное расстояние от дорожного покрытия до нижней грани рассеивающего элемента не должно быть меньше 150 мм.
- Установка фар выше уровня головного света недопустима.
Инструменты и материалы для установки
Для монтажа противотуманных фар потребуется заранее подготовить все необходимые инструменты и материалы:
- Комплект противотуманных фар, учитывая, что торпедо ВАЗ-2110 относится к старой модели, поэтому фары для современных евромоделей не подойдут.
- Лампа для освещения рабочего места.
- Мультиметр для проверки правильности выполнения отдельных этапов установки.
- Двойные разъемы, известные среди специалистов как «мама и папа»; одного комплекта будет достаточно.
- Восемь разъемов типа «мама».
- Изолента.
- Упаковочный материал для термоусадки.
Для корректной установки противотуманных фар на ВАЗ-2110 важно следовать электросхеме, которую можно получить в КГПТФ.
Эксперты в области автомобильной электроники утверждают, что самостоятельное подключение противотуманок на ВАЗ-2110 вполне возможно, но требует определенных знаний и навыков. Во-первых, необходимо ознакомиться с электрической схемой автомобиля, чтобы правильно подключить провода к источнику питания и переключателю. Во-вторых, важно учитывать, что установка противотуманок требует соблюдения правил безопасности, чтобы избежать короткого замыкания или повреждения других электрических систем.
Специалисты рекомендуют использовать качественные компоненты и инструменты, а также следовать инструкциям производителя противотуманок. Если у владельца автомобиля нет уверенности в своих силах, лучше обратиться к профессионалам. Это позволит избежать возможных проблем и обеспечит надежную работу нового оборудования. Таким образом, самостоятельное подключение противотуманок может стать интересным и полезным опытом, но требует внимательности и ответственности.

Инструкция по подключению противотуманок на ВАЗ-2110
Чтобы избежать необходимости в дальнейшем переделывать работу, следуйте пошаговой инструкции при подключении:
- Снимите крышку блока предохранителей, открутите один саморез и откройте блок питания.
- Найдите два провода длиной около 15 см, разъемы которых называются «мамами». Определите, какой из проводов является постоянным, используя контрольную лампу; кабель следует подвести к реле на соответствующую ножку.
- Красный провод обозначает положительный вывод от реле. Для быстрого и удобного монтажа рекомендуется взять разъем со второй «мамой» и удлинить их кабелями до 30 см, обозначив разъем как «мама».
- Желтый и желто-черный провода подключите к белому штекеру, который относится к блоку питания.
- Разъем со вторым проводом и разъемом «мама» выведите к блоку питания и соедините со вторым разъемом «папа», который также состоит из двух проводов желтого и черно-желтого цвета; последний располагается за кнопкой открывания багажника.
- Черные провода обычно обозначают отрицательный вывод и подключаются к реле на соответствующую ножку.
- Важно также определить провод управления включением и выключением противотуманных фар. Это можно сделать несколькими способами: например, можно отметить провод, который идет от габаритов без кнопки включения, так фары будут загораться при включении габаритов. Другой способ – провести от габаритов через кнопку. Фары могут также зависеть от зажигания; на кнопке включения ПТФ будет обозначен плюс, и фары включатся только при нажатии на кнопку. Этот последний вариант считается наиболее удобным.
- Для установки противотуманных фар извлеките заглушку и вставьте фары прямо в бампер.
- Закрепите облицовку для фар.
- Используйте крестовую отвертку, чтобы закрутить пару саморезов крепления облицовки.
- Подключите колодку к кабелю. Теперь устройство подключено.
| Шаг | Описание | Необходимые инструменты и материалы |
|---|---|---|
| 1. Подготовка | Изучите схему электропроводки ВАЗ-2110, определите место установки противотуманных фар и кнопки включения. | Схема электропроводки, мультиметр, маркер, рулетка. |
| 2. Установка фар | Закрепите противотуманные фары в бампере или на специальных кронштейнах. | Отвертка, гаечные ключи, дрель (при необходимости), саморезы/болты. |
| 3. Прокладка проводки | Проложите провода от фар к месту установки реле и кнопки, а также к источнику питания (аккумулятору). | Изолента, стяжки для кабеля, гофра (для защиты проводов), провод нужного сечения. |
| 4. Подключение реле | Подключите реле согласно схеме: управляющий провод от кнопки, силовой провод от аккумулятора, провод к фарам, провод на массу. | Клеммы, обжимной инструмент, реле (4-х или 5-контактное). |
| 5. Установка кнопки | Установите кнопку включения противотуманных фар в салоне автомобиля. | Дрель (для отверстия под кнопку), отвертка, кнопка включения. |
| 6. Подключение к питанию | Подключите силовой провод от реле к плюсовой клемме аккумулятора через предохранитель. | Предохранитель, держатель предохранителя, клеммы. |
| 7. Подключение к массе | Подключите провода массы от фар и реле к кузову автомобиля. | Клеммы, отвертка. |
| 8. Проверка | Проверьте работоспособность противотуманных фар, убедитесь в отсутствии коротких замыканий. | Мультиметр. |
| 9. Регулировка | Отрегулируйте направление светового пучка противотуманных фар. | Отвертка. |
Интересные факты
Вот несколько интересных фактов о подключении противотуманок на ВАЗ-2110:
-
Заводская комплектация: На некоторых моделях ВАЗ-2110 противотуманки могут быть предусмотрены в заводской комплектации, но для их подключения может потребоваться установка дополнительного реле и переключателя. Это дает возможность использовать противотуманки в соответствии с правилами дорожного движения.
-
Электрическая схема: Подключение противотуманок требует знания электрической схемы автомобиля. Важно правильно соединить провода, чтобы избежать короткого замыкания и повреждения электросистемы. Многие автовладельцы используют схемы из интернета или специализированные руководства, чтобы сделать установку безопасной и эффективной.
-
Преимущества установки: Самостоятельное подключение противотуманок не только улучшает видимость в условиях плохой погоды, но и придает автомобилю более современный и стильный вид. Кроме того, это может повысить безопасность на дороге, особенно в тумане или дождливую погоду, когда стандартные фары могут не справляться с задачей освещения.

Второй вариант подключения противотуманок
Сначала определите место для установки противотуманных фар – в нижней части бампера есть специальный отсек. Фары бывают разных типов: рифленые, которые предназначены для рассеивания света, и прозрачные, создающие пятна света. Несмотря на то что прозрачные модели сегодня популярны среди владельцев ВАЗ-2110, эксперты считают их менее эффективными.
Процесс установки начинается с отключения проводов, идущих к датчику уровня жидкости и бачку омывателя. Сначала снимите гайку с бачка омывателя и аккуратно извлеките пучок проводов, расположенный слева под лонжероном.
При работе с разъемом Ш1 обратите внимание на три провода: один желтый и два желто-черных. Отрежьте два отрезка желтого провода и протяните их в салон ВАЗ-2110. Затем зачистите концы проводов, обожмите их клеммами типа «папа» и подключите к колодке, чтобы желтый провод был соединен с черно-желтым.
Соедините колодку с двумя желтыми проводами, зафиксируйте их в жгуте, после чего можно вернуть бачок омывателя на место.
Теперь вам понадобятся два провода длиной до 0,5 метра. Установите клеммы для массы и прикрепите их к шпильке, не забудьте также подключить провод массы от фары. Когда кабель от противотуманной фары окажется в переднем лонжероне, протяните его в том месте, где будут установлены фары. Не забудьте обработать каждый кабель клеммой массы.
Регулировка сцепления на ВАЗ-2110
Теперь осталось установить скобы на бампер, а к проводу подсоединить колодки типа «мама». Подготовка фар включает установку лампочек; специалисты не рекомендуют касаться их руками, так как это может привести к перегреву и повреждению.
Если вы не уверены, что не трогали лампочки, или знаете, что касались, обязательно обезжирьте их поверхность спиртом. Затем подключите черный провод к корпусу, а желтый – к лампочке. Даже новичок, следуя этой инструкции по установке противотуманных фар, сможет разобраться, как правильно подключить их на ВАЗ-2110, и завершить работу всего за пару часов.
Третья схема по подключению фар
Текст состоит из трех изображений, на которых показаны особенности подключения противотуманок ВАЗ-2110, колодка реле, а также разъемы Ш1 и Ш2, из которых формируются ПТФ.
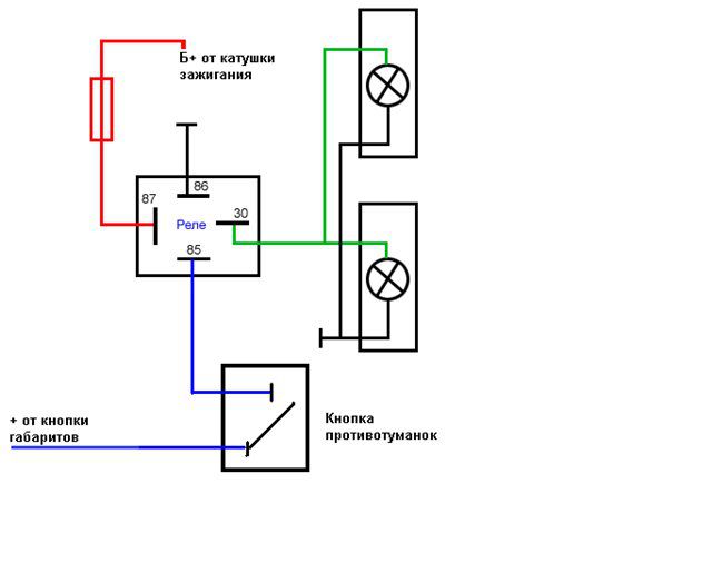
- Сначала возьмите колодку фар и подключите провод розового цвета к черному блоку, добавив его к колодке реле под номером 85 (см. изображение).
- Обеспечьте питание для контакта под номером 3 колодки Ш1, используя клемму № 30, которая находится на колодке реле.
- При установке осветительных приборов клемма 87 должна быть соединена с контактом 5 колодки Ш1.
- Используя коннектор, соедините черный провод, который находится на колодке реле под номером 86, с контактом № 4 из колодки Ш2.
- Убедитесь, что подсветка клавиши работает корректно.
- Аналогично проверьте индикатор включения противотуманок.
Тонкости подключения противотуманок
Мы не будем углубляться в детали подключения кнопки противотуманок, так как схема уже представлена в ГКПТФ. Что касается подключения самих фар, то левый выход находится рядом с радиатором, под нижней частью левой фары, если смотреть на переднюю часть автомобиля. Обычно этот выход фиксируется к кузову модели ВАЗ-2110 с помощью пластикового хомута.
Правый выход располагается аналогично, только под правой фарой, которая также относится к головному освещению.
https://youtube.com/watch?v=t0ysCPFw_WA
Советы по выбору противотуманок
При выборе противотуманок для ВАЗ-2110 важно учитывать несколько ключевых факторов, чтобы обеспечить не только эстетический вид автомобиля, но и его безопасность на дороге. Ниже представлены основные аспекты, на которые стоит обратить внимание.
Тип противотуманок: Существует несколько типов противотуманок, включая галогенные, светодиодные (LED) и ксеноновые. Галогенные лампы являются наиболее распространенными и доступными по цене, однако они имеют меньшую яркость и срок службы по сравнению с LED и ксеноновыми. Светодиоды более энергоэффективны и долговечны, но могут стоить дороже. Ксеноновые лампы обеспечивают яркий свет, но требуют специального оборудования для установки.
Размер и форма: Противотуманки должны соответствовать размеру и форме кузова вашего автомобиля. Для ВАЗ-2110 подойдут как круглые, так и прямоугольные модели. Важно, чтобы противотуманки гармонично вписывались в общий дизайн автомобиля и не мешали другим элементам, таким как бампер или решетка радиатора.
Качество материалов: Обратите внимание на материалы, из которых изготовлены противотуманки. Корпус должен быть выполнен из прочного и устойчивого к воздействию внешней среды пластика или металла. Стекло должно быть закаленным, чтобы избежать повреждений при попадании камней или других предметов на дороге.
Производитель: Выбирайте противотуманки от известных и проверенных производителей. Это гарантирует качество и надежность, а также наличие гарантии на продукцию. Изучите отзывы других автовладельцев, чтобы понять, какие модели зарекомендовали себя лучше всего.
Световой поток и угол рассеивания: Обратите внимание на характеристики светового потока (измеряется в люменах) и угол рассеивания света. Чем выше световой поток, тем ярче будет свет. Угол рассеивания влияет на то, насколько широко будет освещена дорога. Для противотуманок рекомендуется выбирать модели с широким углом рассеивания, чтобы обеспечить максимальную видимость в условиях плохой погоды.
Совместимость с автомобилем: Убедитесь, что выбранные противотуманки совместимы с вашей моделью ВАЗ-2110. Некоторые производители предлагают специальные комплекты, которые включают все необходимые элементы для установки, такие как крепежные детали и проводка.
Следуя этим рекомендациям, вы сможете выбрать подходящие противотуманки для вашего ВАЗ-2110, которые не только улучшат видимость в сложных погодных условиях, но и добавят вашему автомобилю стильный и современный вид.
Вопрос-ответ
Можно ли подключить ПТФ напрямую?
Многие автовладельцы подключают противотуманки напрямую к аккумулятору без использования каких-либо специализированных схем. Электрическую цепь пропускают через выключатель. У приборов есть 2 контакта. На обеих фарах один контакт соединяют проводом в единую цепь и присоединяют к кузову (кидают на массу).
Можно ли установить противотуманные фары самостоятельно?
Да, вы можете установить противотуманные фары самостоятельно, если у вас есть базовые знания по обслуживанию автомобиля и необходимые инструменты. Следуйте пошаговому руководству, представленному в этой статье, чтобы обеспечить правильную установку.
Можно ли ставить светодиодные противотуманные фары на ВАЗ 2110?
Описание. Ищете надежные и яркие противотуманные фары для своего автомобиля? Наши светодиодные ПТФ — идеальное решение для моделей Лада ВАЗ 2110, 2111, 2112, 2113, 2114, 2115 и КамАЗ. Фары обеспечивают мощный свет с температурой 6000K, что гарантирует отличную видимость в любых погодных условиях.
Советы
СОВЕТ №1
Перед началом установки противотуманок внимательно изучите руководство пользователя вашего автомобиля. Это поможет вам понять, какие инструменты и материалы понадобятся, а также особенности подключения, специфичные для модели ВАЗ-2110.
СОВЕТ №2
Обязательно используйте качественные противотуманки, которые соответствуют стандартам безопасности. Это не только обеспечит лучшую видимость в условиях плохой погоды, но и продлит срок службы устройства.
СОВЕТ №3
При подключении противотуманок следите за правильной полярностью проводов. Неправильное подключение может привести к выходу устройства из строя или даже к короткому замыканию. Лучше всего использовать мультиметр для проверки.
СОВЕТ №4
После установки протестируйте противотуманки в темное время суток или в условиях плохой видимости. Убедитесь, что они работают корректно и не слепят других водителей. Если есть необходимость, отрегулируйте угол наклона фар.

